產品詳情
| 產品料號 | CPG1511F01S69 | |
| 額定負荷 | DC12V10mA | |
| 接觸阻抗 | 200mΩMax | |
| 絕緣阻抗 | 100MΩMinDC100V | |
| 耐電壓 | AC100V(50-60HZ)for1Minute | |
| 觸感力 | ---------- | |
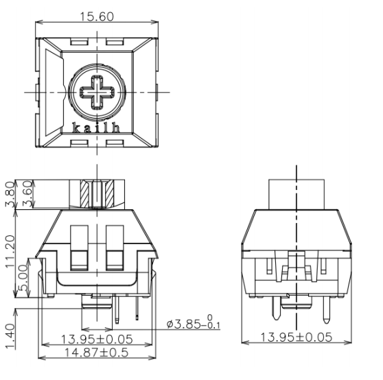
| 動作力 | 35±10gf | |
| 觸發行程 | 1.8±0.4mm | |
| 全行程 | 3.6±0.4mm | |
| 機械壽命 | 80,000,000Cycles | |
| 使用溫度 | -20℃-+70℃ | |
| 耐候性能 | ||
| 耐寒性 | -20℃±2℃ | 48H |
| 耐熱性 | 70℃±2℃ | 48H |
| 耐濕性 | 60℃±2℃90~95%RH | 48H |
外形圖

PCB設計圖

電路圖

| 包裝規格 | ||
| 包裝數(PCS) | 1盒 | 1000PCS |
| 1箱 | 4000PCS | |
| 波峰自動焊接條件 | ||
| 項目 | 預熱溫度 | 100±5℃ |
| 預熱時間 | 60S(max.) | |
| 焊接溫度 | 260±5℃ | |
| 焊接時間 | 3±0.5S | |
| 手工焊接條件 | ||
| 焊接溫度 | 350℃±10℃ | |
| 焊接時間 | 3S±0.5S | |
| 烙鐵功率 | 20W(max.) | |
| 注意事項: |
| 1.本產品目錄中產品的顏色與實物的顏色有所差異 |
| 2.請使用1.6mm板厚的印刷電路板 |
| 3.請以最小訂購單位的N(整數)倍來訂貨 |
| 4.汽車用時,請進行確認后使用 |
產品一覽
| 產品編號 | 圖片 | 手感類型 | 動作力 | 觸發行程 | 全行程 | 壽命 | 規格書 | 備注 |
| CPG1511F01S172 | 段落 | 45±10gf | 2.0±0.4mm | 3.6±0.4mm | 100,000,000Cycles | 深海無聲靜音BOX軸PRO-鯨落 | ||
| CPG1511F01S129 | 線性 | 45±10gf | 1.8±0.4mm | 3.6±0.4mm | 100,000,000Cycles | 深海無聲靜音BOX軸PRO-孤島 | ||
| CPG1511F01S110 | 有聲段落 | 55±10gf | 1.80±0.4mm | 3.60±0.3mm | 80,000,000Cycles | BOX軸V2 白軸 | ||
| CPG1511F01S109 | 段落 | 75±10gf | 2.0±0.4mm | 3.60±0.3mm | 50,000,000Cycles | BOX軸V2 茶軸 | ||
| CPG1511F01S108 | 線性 | 40±10gf | 1.8±0.4mm | 3.60±0.3mm | 80,000,000Cycles | BOX軸V2 紅軸 | ||
| CPG1511F01S80-1 | 段落 | 57±10gf | 1.8±0.4mm | 3.60±0.3mm | 100,000,000Cycles | BOX水母軸X | ||
| CPG1511F01S70-1 | 線性 | 50±10gf | 1.8±0.4mm | 3.60±0.3mm | 100,000,000Cycles | BOX水母軸Y | ||
| CPG1511F01S77-1 | 線性 | 50±10gf | 1.8±0.4mm | 3.6±0.3mm | 100,000,000Cycles | 深海無聲靜音BOX軸 | ||
| CPG1511F01S04 | 線性 | 45±10gf | 1.8±0.3mm | 3.6±0.3mm | 80,000,000Cycles | |||
| CPG1511F01S05 | 線性 | 60±10gf | 1.8±0.3mm | 3.6±0.3mm | 80,000,000Cycles | |||
| CPG1511F01S03 | 段落 | 45±10gf | 1.8±0.3mm | 3.6±0.3mm | 80,000,000Cycles | |||
| CPG1511F01S11 | 有聲段落 | 50±15gf | 1.8±0.3mm | 3.6±0.3mm | 80,000,000Cycles | |||
| CPG1511F01S09 | 有聲段落 | 65±15gf | 1.8±0.3mm | 3.6±0.3mm | 80,000,000Cycles | |||
| CPG1511F01S38 | 段落 | 45±10gf | 1.8±0.4mm | 3.6±0.4mm | 80,000,000Cycles | BOX靜音軸 | ||
| CPG1511F01S69 | 線性 | 35±10gf | 1.8±0.4mm | 3.6±0.4mm | 80,000,000Cycles | BOX靜音軸 | ||
| CPG1511F01S02 | 有聲段落 | 45±15gf | 1.8±0.3mm | 3.6±0.3mm | 80,000,000Cycles |





