產品詳情
| 產品料號 | CPG151101D211 | |
| 額定負荷 | DC12V10mA | |
| 接觸阻抗 | 100mΩMax | |
| 絕緣阻抗 | 100MΩMinDC500V | |
| 耐電壓 | AC100V(50-60HZ)for1Minute | |
| 觸感力 | 50±10gf | |
| 動作力 | 50±10gf | |
| 觸發行程 | 1.4±0.3mm | |
| 全行程 | 3.5+0/-0.3mm | |
| 機械壽命 | 70,000,000Cycles | |
| 使用溫度 | -20℃-+70℃ | |
| 耐候性能 | ||
| 耐寒性 | -20℃±2℃ | 96H 48H |
| 耐熱性 | 70℃±2℃ | 96H 48H |
| 耐濕性 | 60℃±2℃90~95%RH | 96H 48H |
外形圖

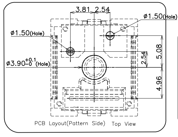
PCB設計圖

電路圖

| 包裝規格 | ||
| 包裝數(PCS) | 1盒 | 1000PCS |
| 1箱 | 4000PCS | |
| 波峰自動焊接條件 | ||
| 項目 | 預熱溫度 | 100±5℃ |
| 預熱時間 | 60S(max.) | |
| 焊接溫度 | 260±5℃ | |
| 焊接時間 | 3±0.5S | |
| 手工焊接條件 | ||
| 焊接溫度 | 350℃±10℃ | |
| 焊接時間 | 3S±0.5S | |
| 烙鐵功率 | 20W(max.) | |
| 注意事項: |
| 1.本產品目錄中產品的顏色與實物的顏色有所差異 |
| 2.請使用1.6mm板厚的印刷電路板 |
| 3.請以最小訂購單位的N(整數)倍來訂貨 |
| 4.汽車用時,請進行確認后使用 |
產品一覽
| 產品編號 | 圖片 | 手感類型 | 動作力 | 觸發行程 | 全行程 | 壽命 | 規格書 | 備注 |
| CPG151101D211 | 有聲段落 | 50±10gf | 1.4±0.3mm | 3.5±0.3mm | 70,000,000Cycles | |||
| CPG151101D212 | 線性 | 40±10gf | 1.1±0.3mm | 3.5±0.3mm | 70,000,000Cycles | |||
| CPG151101D213 | 段落 | 40±10gf | 1.1±0.3mm | 3.5±0.3mm | 70,000,000Cycles | |||
| CPG151101D214 | 有聲段落 | 50±10gf | 1.1±0.3mm | 3.5±0.3mm | 70,000,000Cycles | |||
| CPG151101D218 | 線性 | 70±15gf | 1.1±0.4mm | 3.0±0.4mm | 50,000,000Cycles | |||
| CPG151101D219 | 線性 | 70±15gf | 1.1±0.4mm | 3.5±0.4mm | 50,000,000Cycles | |||
| CPG151101D220 | 有聲段落 | 70±15gf | 1.1±0.4mm | 3.5±0.4mm | 50,000,000Cycles | |||
| CPG151101D234 | 有聲段落 | 70±20gf | 1.2±0.5mm | 3.0±0.5mm | 50,000,000Cycles | |||
| CPG151101D215 | 有聲段落 | 50±10gf | 1.1±0.4mm | 3.5±0.4mm | 70,000,000Cycles |





