產品詳情
| 產品料號 | CJP161219D03 | |
| 全阻值 | 5K,10K,20K,50K | |
| 阻抗特性型式 | "B"線型 | |
| 分壓誤差 | 40%-60% | |
| 接觸雜音 | 300mV以下 | |
| 機械角度 | 最大使用55度 | |
| 操作力 | 120±50gf | |
| 使用溫度范圍 | -10℃~70℃ | |
| 額定電壓/功率 | DC5V 0.0125W | |
| 電氣性能 | 絕緣阻抗 | 100MΩ(min) DC250v |
| 耐電壓 | 250VAC for 1 minute | |
| 機械性能 | 搖桿轉動形式 | 圓周轉動 |
| 搖桿推拉強度 | 5kg保持3s | |
| 耐久性能 | 機械壽命 | 2,000,000cycles |
| 耐候性能 | 耐寒性 | -30℃ 96H |
| 耐熱性 | 70℃ 96H | |
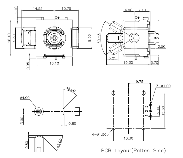
外形圖

電路圖

| 包裝規格 | ||
| 包裝數(PCS) | 1包 | 50 |
| 1箱 | 1500 | |
| 波峰自動焊接條件 | ||
| 項目 | 預熱溫度 | 100±10℃ |
| 預熱時間 | 60S (max.) | |
| 焊接溫度 | 260±5℃ | |
| 焊接時間 | 5±1S | |
| 手工焊接條件 | ||
| 焊接溫度 | 300±10℃ | |
| 焊接時間 | 3+1/0S | |
| 烙鐵功率 | 60W (max.) | |
| 1.考慮清洗觸摸開關眭請協商 |
| 2.請不要從觸摸開關上面浸入助焊劑 |
| 3.請不要事前在開關端子及印刷電路板的零部件貼裝面上涂助焊劑 |
| 4.進行第2次焊接時,應在開關恢復到常溫之后進行 |
| 5.請使用比重為0.8以上的助焊劑 |
| 注意事項: |
| 1.本產品目錄中產品的顏色與實物的顏色有所差異 |
| 2.請使用1.6mm板厚的印刷電路板 |
| 3.請以最小訂購單位的N(整數)倍來訂貨 |
| 4.汽車用時,請進行確認后使用 |
產品一覽
| 產品編號 | 圖片 | 全阻值 | 阻抗特性型式 | 接觸雜音 | 操作力 | 機械壽命 | 規格書 | 備注 |
| CJP161219D04 | 5K,10K,20K,50K | "B"線型 | 300mV以下 | 120±50gf | 2,000,000cycles | . | ||
| CJP161219D03 | 5K,10K,20K,50K | "B"線型 | 300mV以下 | 120±50gf | 2,000,000cycles | . | ||
| CJP161219D02 | 5K,10K,20K,50K | "B"線型 | 300mV以下 | 120±50gf | 2,000,000cycles | . | ||
| CJP161219D01 | 5K,10k,20k,50k | "B"線型 | 300mV以下 | 120±50gf | 2,000,000cycles | . |





