產品詳情
| 產品料號 | CTA603201D01 | |
| 額定負荷 | DC12V 50mA | |
| 接觸阻抗 | 100mΩMax | |
| 絕緣阻抗 | 100MΩMin DC250V | |
| 耐電壓 | AC100V(50-60HZ)for1Minute | |
| 電氣壽命 | 50,000Cycles (Load) | |
| 機械壽命 | 50,000Cycles (Without Load) | |
| 操作力 | 250±50gf | |
| 預行程(PT) | 0.25±0.10mm | |
| 使用溫度 | -10℃+70℃ | |
| 操作類型 | 觸動回復式 | |
| 耐候性能 | ||
| 耐寒性 | -20℃ | 96H |
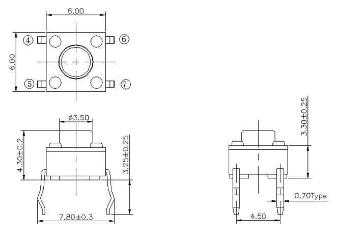
外形圖

電路圖

| 包裝規格 | ||
| 包裝數(PCS) | 1盒 | 1000PCS |
| 1箱 | 30000PCS | |
| 波峰自動焊接條件 | ||
| 項目 | 預熱溫度 | 100±10℃ |
| 預熱時間 | 60S(max.) | |
| 焊接溫度 | 260±5℃ | |
| 焊接時間 | 5±1S | |
| 手工焊接條件 | ||
| 焊接溫度 | 300℃±10℃ | |
| 焊接時間 | 3+1/0S | |
| 烙鐵功率 | 60W(max.) | |
| 注意事項: |
| 1.本產品目錄中產品的顏色與實物的顏色有所差異 |
| 2.請使用1.6mm板厚的印刷電路板 |
| 3.請以最小訂購單位的N(整數)倍來訂貨 |
| 4.汽車用時,請進行確認后使用 |
產品一覽
| 產品編號 | 圖片 | 外形尺寸 | 類型 | 克力 | 行程 | PIN腳 | 3D CAD | 備注 |
| CTA603201S67 | 6.0*6.0*5.0 | 貼片式 | 70±20gf | 0.20±0.10mm | - | |||
| CTA603201D61 | 6.0*6.0*4.3 | 插件式 | 100±30gf | 0.25±0.10mm | - | |||
| CTA603201D30 | 6.0*6.0*4.3 | 插件式 | 160±50gf | 0.25±0.10mm | - | |||
| CTA603201D15 | 6.0*6.0*4.3 | 插件式 | 160±50gf | 0.25±0.10mm | 4 | |||
| CTA603201D11 | 6.0*6.0*4.3 | 插件式 | 160±50gf | 0.25±0.10mm | 4 | |||
| CTA603201D04 | 6.0*6.0*4.3 | 插件式 | 160±50gf | 0.25±0.10mm | 4 | |||
| CTA603201D03 | 6.0*6.0*4.3 | 插件式 | 160±50gf | 0.25±0.10mm | 4 | |||
| CTA603201D01 | 6.0*6.0*4.3 | 觸動回復式 | 250±50gf | 0.25±0.10mm | 4 | |||
| CTA603201D02 | 6.0*6.0*5.0 | 插件式 | 250±50gf | 0.25±0.10mm | - |




