產品詳情
| 產品料號 | CLA604901D05 | |
| 額定負荷 | DC12V 50mA | |
| 接觸阻抗 | 100mΩMax | |
| 絕緣阻抗 | 100MΩMin DC250V | |
| 耐電壓 | AC250V(50-60HZ)for1Minute | |
| 電氣壽命 | 100,000Cycles (Load) | |
| 機械壽命 | 100,000Cycles (Without Load) | |
| 操作力 | 150±50gf | |
| 預行程(PT) | 0.25±0.10mm | |
| 使用溫度 | -10℃+70℃ | |
| 操作類型 | 觸動回復式 | |
| 耐候性能 | ||
| 耐寒性 | -20℃ | 96H |
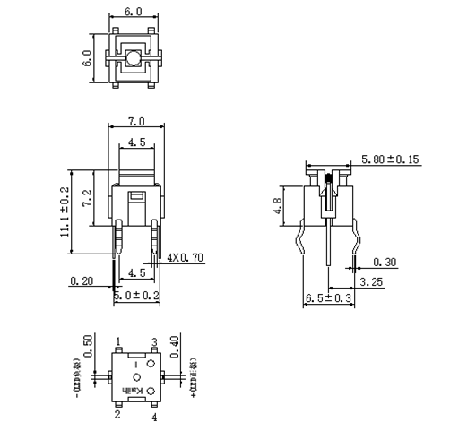
外形圖

電路圖

電路圖

| 包裝規格 | ||
| 包裝數(PCS) | 1盒 | 1000PCS |
| 1箱 | 10000PCS | |
| 波峰自動焊接條件 | ||
| 項目 | 預熱溫度 | 100±10℃ |
| 預熱時間 | 60S(max.) | |
| 焊接溫度 | 260±5℃ | |
| 焊接時間 | 5±1S | |
| 手工焊接條件 | ||
| 焊接溫度 | 300℃±10℃ | |
| 焊接時間 | 3+1/0S | |
| 烙鐵功率 | 60W(max.) | |
| 注意事項: |
| 1.本產品目錄中產品的顏色與實物的顏色有所差異 |
| 2.請使用1.6mm板厚的印刷電路板 |
| 3.請以最小訂購單位的N(整數)倍來訂貨 |
| 4.汽車用時,請進行確認后使用 |
產品一覽
| 產品編號 | 圖片 | 外形尺寸 | 類型 | 克力 | 行程 | PIN腳 | 燈顏色 | 帽子形狀 | 鐳雕符號 | 規格書 |
| CLA614801D05 | 6.10*6.10*7.0 | 觸動回復式 | 160±50gf | 0.25+0.05/0.15mm | 6 | 藍燈 | ||||
| CLA614801D04 | 6.10*6.10*7.0 | 觸動回復式 | 160±50gf | 0.25+0.05/-0.15mm | 6 | 綠燈 | ||||
| CLA604901D01 | 6.0*6.0*7.2 | 插片式 | 150±50gf | 0.25±0.10mm | 6 PIN | 藍燈 | - | - | ||
| CLA604901S07 | - | 貼片式 | 160±50gf | 0.25±0.10mm | - | 圓平藍燈 | - | - | ||
| CLA604901D05 | 6.0*6.0*7.2 | 觸動回復式 | 150±50gf | 0.25±0.10mm | 6 PIN | 藍燈 | - | - | ||
| CLA614801D03-HF | 6.10*6.10*7.0 | 觸動回復式 | 160±50gf | 0.25+0.05/-0.15mm | 4 | 黃白雙色燈 | ||||
| CLA614801D01-HF | 6.10*6.10*7.0 | 觸動回復式 | 160±50gf | 0.25+0.05/-0.15mm | 4 | 黃白雙色燈 | ||||
| CLA604901D64-HF | 6.0*6.0*7.2 | 插件式 | 250±50gf | 0.25±0.10mm | 6 PIN | 藍燈 | - | - |





