產品詳情
| 產品料號 | CLA851101D10 | |
| 額定負荷 | DC12V 50mA | |
| 接觸阻抗 | 100mΩMax | |
| 絕緣阻抗 | 50MΩMin DC250V | |
| 耐電壓 | AC250V(50-60HZ)for1Minute | |
| 電氣壽命 | 500,000Cycles (Load) | |
| 機械壽命 | 500,000Cycles (Without Load) | |
| 操作力 | 350±50gf | |
| 預行程(PT) | 0.8±0.15mm | |
| 使用溫度 | -25℃+80℃ | |
| 操作類型 | 觸動回復式 | |
| 耐候性能 | ||
| 耐寒性 | -20℃ | 96H |
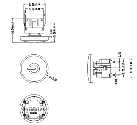
外形圖

PCB設計圖

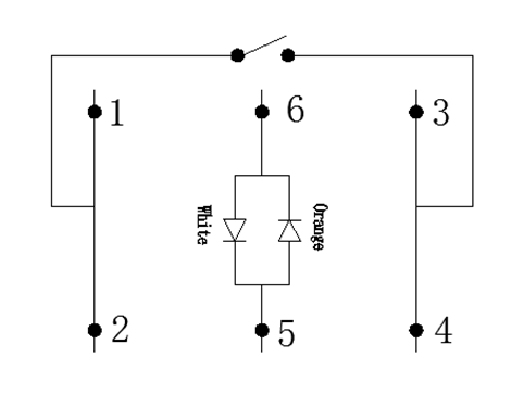
電路圖

| 包裝規格 | ||
| 包裝數(PCS) | 1盒 | 500PCS |
| 1箱 | 5000PCS | |
| 波峰自動焊接條件 | ||
| 項目 | 預熱溫度 | 100±10℃ |
| 預熱時間 | 60S(max.) | |
| 焊接溫度 | 260±5℃ | |
| 焊接時間 | 5±1S | |
| 手工焊接條件 | ||
| 焊接溫度 | 300℃±10℃ | |
| 焊接時間 | 3+1/0S | |
| 烙鐵功率 | 60W(max.) | |
| 注意事項: |
| 1.本產品目錄中產品的顏色與實物的顏色有所差異 |
| 2.請使用1.6mm板厚的印刷電路板 |
| 3.請以最小訂購單位的N(整數)倍來訂貨 |
| 4.汽車用時,請進行確認后使用 |
產品一覽
| 產品編號 | 圖片 | 外形尺寸 | 類型 | 克力 | 行程 | PIN腳 | 燈顏色 | 帽子形狀 | 鐳雕符號 | 規格書 |
| CLA851101D10 | 9.5*8.5*12.4 | 觸動回復式 | 350±50gf | 1.20±0.3mm | 6 | 白燈 | 扇形帽子 | 燈光符號 | ||
| CLA851101D09 | 9.5*8.5*12.4 | 觸動回復式 | 350±50gf | 1.20±0.3mm | 6 | 白燈 | 扇形帽子 | 號角符號 | ||
| CLA851101D08 | 9.5*8.5*12.4 | 觸動回復式 | 350±50gf | 1.20±0.3mm | 6 | 白燈 | 扇形帽子 | 三角符號 | ||
| CLA117201D01 | 11.0*11.60*9.70 | 觸動回復式 | 150±50gf | 0.25±0.10mm | 6 | 白燈 | ||||
| CLA856301S01 | - | 貼片式 | 250±50gf | 1.30±0.2mm | - | 紅燈 | - | - |





