產品詳情
| 產品料號 | CEN654512R01 | |
| 額定負荷 | DC5V 1mA | |
| 接觸阻抗 | 5ΩMax | |
| 絕緣阻抗 | 50MΩMin DC50V | |
| 耐電壓 | AC50V(50-60HZ)for1Minute | |
| 電氣壽命 | 100,000Cycles | |
| 脈沖數 | 12Plus/360° | |
| 扭矩 | 10-25gf.cm | |
| 制動數 | 12 | |
| 機械壽命 | 100,000Cycles | |
| 使用溫度 | -25℃+80℃ | |
| 耐候性能 | ||
| 耐寒性 | -20℃ | 96H |
| 耐熱性 | 80℃ | 96H |
| 耐濕性 | 60℃±2℃ | 90~95%RH 48H |
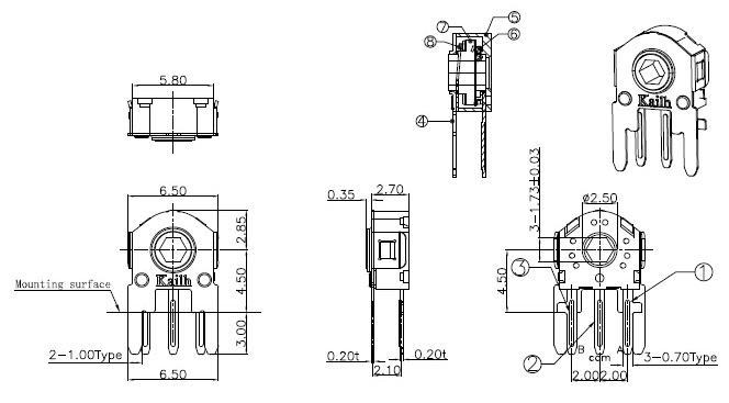
外形圖

電路圖

| 包裝規格 | ||
| 包裝數(PCS) | 1盒 | 1000PCS |
| 1箱 | 10000PCS | |
| 波峰自動焊接條件 | ||
| 項目 | 預熱溫度 | 100±10℃ |
| 預熱時間 | 60S(max.) | |
| 焊接溫度 | 260±5℃ | |
| 焊接時間 | 5±1S | |
| 手工焊接條件 | ||
| 焊接溫度 | 300℃±10℃ | |
| 焊接時間 | 3+1/0S | |
| 烙鐵功率 | 60W(max.) | |
| 注意事項: |
| 1.本產品目錄中產品的顏色與實物的顏色有所差異 |
| 2.請以最小訂購單位的N(整數)倍來訂貨 |
| 3.汽車用時,請進行確認后使用 |
產品一覽
| 產品編號 | 圖片 | 軸心高度 | 扭矩 | 孔徑 | 壽命 | 規格書 | 備注 |
| CEN653512A01 | 3.40mm | 10-25gf.cm | 1.73mm | 100,000Cycles | 新品 | ||
| CEN652812R01 | 2.80mm | 10-25gf.cm | 1.73mm | 100,000 Cycles | . | ||
| CEN652812A01 | 2.80mm | 10-25gf.cm | 1.73mm | 100,000 Cycles | . | ||
| CEN652812A02 | 2.80mm | 10-25gf.cm | 1.73mm | 100,000 Cycles | - | ||
| CEN652812R06 | 2.80mm | 10-25gf.cm | 1.73mm | 100,000 Cycles | |||
| CEN652812W02 | 2.80mm | 0-15gf.cm | 1.73mm | 100,000 Cycles | |||
| CEN654512S01 | 4.50mm | 10-30gf.cm | 1.73mm | 100,000 Cycles | . | ||
| CEN654512R01 | 4.50mm | 10-25gf.cm | 1.73mm | 100,000 Cycles |





