產品詳情
| 產品料號 | CEN723609W21 | |
| 額定負荷 | DC5V 1mA | |
| 接觸阻抗 | 10ΩMax | |
| 絕緣阻抗 | 50MΩMin DC50V | |
| 耐電壓 | AC50V(50-60HZ)for1Minute | |
| 電氣壽命 | 100,000Cycles | |
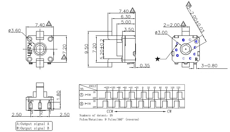
| 脈沖數 | 9Plus/360° | |
| 扭矩 | 15-30gf.cm | |
| 制動數 | 24 | |
| 機械壽命 | 100,000Cycles | |
| 使用溫度 | -25℃+80℃ | |
| 耐候性能 | ||
| 耐寒性 | -20℃ | 96H |
| 耐熱性 | 80℃ | 96H |
| 耐濕性 | 60℃±2℃90~95%RH | 48H |
外形圖


電路圖

| 包裝規格 | ||
| 包裝數(PCS) | 1盒 | 500PCS |
| 1箱 | 10000PCS | |
| 波峰自動焊接條件 | ||
| 項目 | 預熱溫度 | 100±10℃ |
| 預熱時間 | 60S(max.) | |
| 焊接溫度 | 260±5℃ | |
| 焊接時間 | 5±1S | |
| 手工焊接條件 | ||
| 焊接溫度 | 300℃±10℃ | |
| 焊接時間 | 3+1/0S | |
| 烙鐵功率 | 60W(max.) | |
| 注意事項: |
| 1.本產品目錄中產品的顏色與實物的顏色有所差異 |
| 2.請以最小訂購單位的N(整數)倍來訂貨 |
| 3.汽車用時,請進行確認后使用 |
產品一覽
| 產品編號 | 圖片 | 線長 | 扭矩 | 蓋板 | 壽命 | 規格書 | 備注 |
| CEN723609W21 | 無線 | 15-30gf.cm | 4#蓋板 | 100,000 Cycles | - | ||
| CEN723609W01-NW | 無線 | 10-25gf.cm | 1#蓋板 | 100,000 Cycles | - | ||
| CEN723609W10-NW | 30.00mm | 10-25gf.cm | 3#蓋板 | 100,000 Cycles | |||
| CEN723609W10 | 30.00mm | 10-25gf.cm | 3#蓋板 | 100,000 Cycles | - | ||
| CEN723609W02 | 50.00mm | 15-30gf.cm | 2#蓋板 | 100,000 Cycles | - |





